定位销
返回
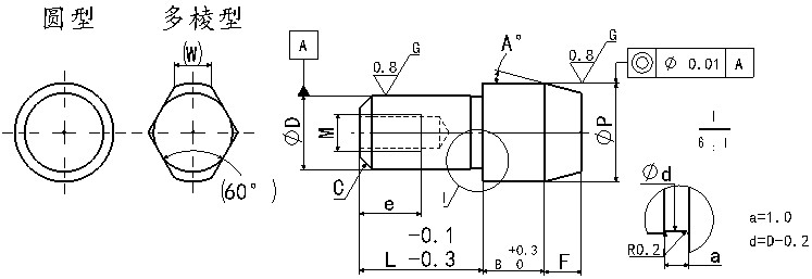
定位销大头锥角型内螺纹型圆型
请按照选型步骤①-⑨选择型式和参数后进行订购。
订货举例:型式(①Type.②D公差.③P公差.④NO.)-⑤P-⑥L-⑦B-⑧F-⑨A
JAUKHRMP6-P6-L9-B2-F1-A15
JAVKHRGM6-P6-L9-B2-F1-A15
订货举例:型式(①Type.②D公差.③P公差.④NO.)-⑤P-⑥L-⑦B-⑧F-⑨A
JAUKHRMP6-P6-L9-B2-F1-A15
JAVKHRGM6-P6-L9-B2-F1-A15
| Type | 相当材质 | 表面处理 | 硬度 | |
| 圆型 | 多棱型 | |||
| JAQKR | JAWKR | SKS3 | / | 58-61HRC |
| JAQKRG | JAWKRG | SKS3 | 镀硬铬 | 58-61HRC/镀层硬度750HV |
| JAQCR | JAWCR | SUS440C | / | 53HRC |
| JAQS | JAWS | SUS303 | / | / |
!D=P时(1)圆型不带退刀槽并且B和L的公差为±0.3。
(2)多棱型带退刀槽,退刀槽尺寸为参考值。
(2)多棱型带退刀槽,退刀槽尺寸为参考值。
| Type | D公差选择 | P公差选择 | NO. |
P 指定单位0.01mm |
L 指定单位1mm |
B指定单位0.1mm |
F 指定单位0.1mm |
A 选择 |
D |
M 粗牙螺纹 |
e | (W) | |||
| 圆型 | 多棱型 | 圆型 | 多棱型 | ||||||||||||
|
JAQKR JAQKRG JAQCR JAQS |
JAWKR JAWKRG JAWCR JAWS |
M P G H |
M P G H S |
6 | 6.00~10.00 | 6~12 | 9~12 | 2.0~12.0 | 0.5~10.0 |
15 30 45 60 |
6 | M3 | 5 | 3 | |
| 8 | 8.00~13.00 | 8~16 | 12~16 | 2.0~15.0 | 8 | M5 | 8 | 3.5 | |||||||
| 8Z | 6~16 | 8 | M4 | 6 | 3.5 | ||||||||||
| 10 | 10.00~15.00 | 10~20 | 12~20 | 3.0~20.0 | 10 | M5 | 8 | 4 | |||||||
| 10Z | 6~16 | 12~16 | 10 | M4 | 6 | 4 | |||||||||
| 12 | 12.00~16.00 | 12~24 | 12~24 | 12 | M5 | 8 | 5 | ||||||||
| 12Z | 8~18 | 12~18 | 12 | M4 | 6 | 5 | |||||||||
| 13 | 13.00~18.00 | 13~26 | 14~26 | 5.0~20.0 | 13 | M8 | 10 | 5.5 | |||||||
| 13Z | 8~20 | 14~20 | 13 | M6 | 9 | 5.5 | |||||||||
| 16 | 16.00~25.00 | 16~32 | 16~32 | 16 | M8 | 12 | 7 | ||||||||
| 16Z | 10~24 | 14~24 | 16 | M6 | 9 | 7 | |||||||||
| 20 | 20.00~30.00 | 20~40 | 20~40 | 20 | M8 | 12 | 9 | ||||||||
| 20Z | 12~30 | 18~30 | 20 | M6 | 9 | 9 | |||||||||
| D或P | D、P公差选择 | ||||
| M | P | G | H | S | |
| m6 | p6 | g6 | h7 | / | |
| 2.00-3.00 |
+0.008 +0.002 |
+0.012 +0.006 |
-0.002 -0.008 |
0 -0.010 |
0 -0.01 |
| 3.01-6.00 |
+0.012 +0.004 |
+0.02 +0.012 |
-0.004 -0.012 |
0 -0.012 |
|
| 6.01-10.00 |
+0.015 +0.006 |
+0.024 +0.015 |
-0.005 -0.014 |
0 -0.015 |
|
| 10.01-18.00 | +0.018 | +0.029 | -0.006 |
0
-0.018
|
|
| 18.01-30.00 | +0.021 | +0.035 | -0.007 |
0
-0.021
|
|







