请按照选型步骤①-⑦选择型式和参数后进行订购。 订货举例:型式(①Type.②D公差.③P公差.④NO.)-⑤P-⑥L-⑦F JGOKHRGM5-P5.5-L6-F2
平头台阶型定位销
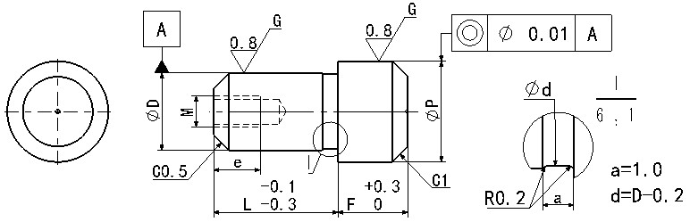
焊接夹具用定位销锥头R型.带肩外螺纹型圆型
焊接夹具用定位销锥头R型.带肩外螺纹型多棱型
焊接夹具用定位销.锥头R型带肩止动螺丝固定型圆型